Описание
Характеристики
Описание
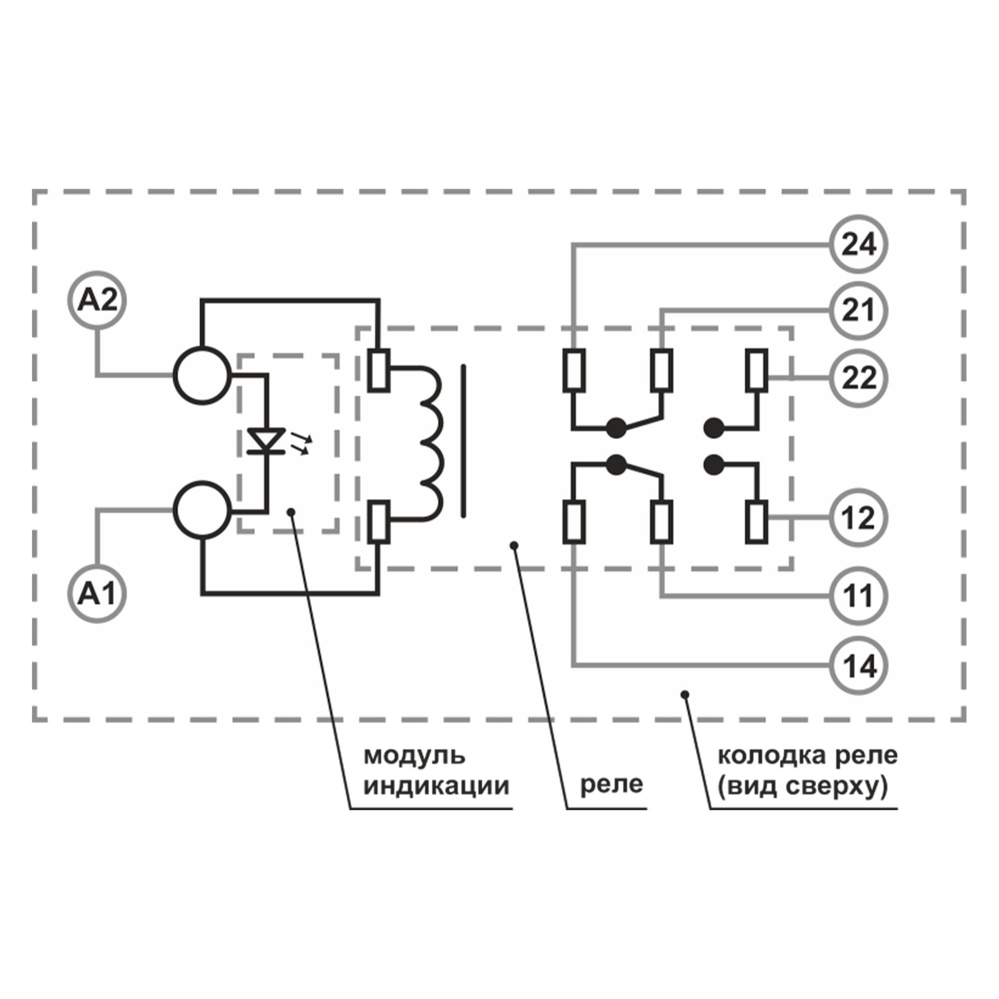
Реле электромагнитное промежуточное в сборе для коммутации цепей и управления различными исполнительными устройствами.
• Управляющая обмотка – 12 В постоянного напряжения
• Исполнительные контакты:
— максимальное коммутируемое постоянное напряжение – 30 В,
— максимальное коммутируемое переменное напряжение – 277 В
• Максимальный коммутируемый ток – 5 А
Внимание! Напряжение, подаваемое на катушку реле, не должно превышать номинального напряжения 12В +10%.
В комплект входят:
— миниатюрное реле 12V, NNV69KP-2Z-12VDC;
— колодка реле 14F08-E на DIN-рейку с пластиковым фиксатором;
— индикатор для колодки реле 14F08-E.
Характеристики
Вес товара (нетто)
0.068
Высота товара
8
Глубина товара
2025-05-07
Ширина товара
2025-05-01
Вес товара с упаковкой (брутто)
0.075
Высота упаковки товара
2025-05-08
Глубина упаковки товара
8
Ширина упаковки товара
2
Макс. рабочая температура
75
Вид аксессуара
Реле промежуточное
Категория оборудования
Аксессуары и принадлежности
Тип оборудования
Автоматика
